插入式管道流量計安裝方法步驟
1、環境要求
(1)為了安裝、維護、保養方便,在插入式管道流量計周圍需保留足夠的空間
(2)避免插入式管道流量計安裝在溫度變化很大或受到設備高溫輻射的場所
(3)插入式管道流量計應安裝在室內,如安裝在室外,應避免陽光直射,必要時請安裝防曬裝置
(4)避免插入式管道流量計安裝在含有腐蝕性氣體的環境中
(5)避免插入式管道流量計安裝在有強振動源、強磁場的場所
2、工藝管道要求
(1)上、下游工藝管的內徑與插入式管道流量計的內徑應滿足:0.98DN≤D≤1.05DN(DN:流量計內徑;D:工藝管內徑)
(2)工藝管與插入式管道流量計需同心,同軸偏差不大于0.05DN
(3)泵位置

(4)控制閥位置

3、滿管要求
(1)彎管管道

(2)敞口排放

(3)排氣和真空壓力

(4)安裝位置

4、直管段要求
使用直管段可防止介質因彎管、TT型三通、截止閥、變徑管的影響而產生渦流或失真
(1)水平直管
(2)彎管

(3)縮徑管
(4)擴徑管

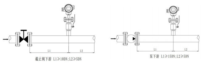
(5)截止閥下游
(6)泵下游

(7)T形三通、混合流

5、接地
插入式管道流量計必須按規定接地,以保證插入式管道流量計可靠的工作、防止操作人員受到電擊。

6、安裝插入深度計算及說明

(1)插入深度(h)為管道內徑(D)的 1/10;
(2)螺紋連接型插入式管道流量計因其安裝原理,在安裝過程中需手動調節尺寸 b(表頭底部至管道外壁距離),以保證插入深度(h)為管道內徑(D)的1/10。尺寸 b 計算公式:b(表頭底部至管道外壁距離)=H(產品總長)-A(表頭高度)-h(插入深度)-c(管道壁厚)
(3)傳感器安裝前用酒精棉球或清潔的細紗布輕輕地,仔細地擦除傳感器測量頭部兩極表面的油脂、灰塵等臟污物質。但不得用堅硬的東西損傷 電極表面和絕緣材料。
(4)對于生產裝置不允許斷流的情況下,選用可進行帶壓安裝。*先,直接把安裝連接件焊接到測量管道的安裝位置上,再安裝上球閥,然后用專用管道開孔機進行帶壓開孔,孔開好后,關閉球閥,流體不會外溢,然后連接密封件,再安裝上傳感器。(只適用于法蘭連接型插入式管道流量計)
上一篇:插入式管道流量計種類及性能比較
下一篇:化工管道流量計的安裝規范


