
磁助式電接點壓力表
產品型號:YXC-100
聯系電話:15195518515?????0517-86801009
產品特點:YXC磁助電接點壓力表廣泛應用于石油、化工、冶金、電站等工業部門或機電設備配套中測量無爆炸危險的各種流體介質的壓力。
磁助式電接點壓力表產品概述
	      磁助式電接點壓力表廣泛應用于石油、化工、冶金、電站等工業部門或機電設備配套中測量無爆炸危險的各種流體介質的壓力。通常,以表經與相應的電氣器件(如繼電器及接觸器等)配套使用,即可對被測(控)壓力系統實現自動控制和發信(報警)的目的。
	      鑒于本系列儀表不僅具有設計新穎、結構可靠、品種規格齊全、動作穩定性好、適應性強的特點外,而且又具有測控并茂、安裝簡單、維護量小等優點,因此,它是一般無指示、無切換差調整和無外設定裝置的壓力控制器所無可比擬的壓力測控儀表。
	      為能適應被測對象的各異和需求,本系列儀表在原有普通型和專用型的基礎上,又相繼研制了抗振型、耐蝕型、耐蝕抗振型以及帶有隔離裝置等多種類型共10多種型號和產品。
	
	
	
	
	
		
	
磁助式電接點壓力表主要技術指標

磁助式電接點壓力表結構原理
		      儀表由測量系統、指示裝置、磁助電接點裝置、外殼、調節裝置及接線盒等組成。
	
		      當被測壓力作用于彈簧管時,其末端產生相應的彈性變形—位移,經傳動機構放大后,由指示裝置在度盤上指示出來。同時指針帶動電接點裝置的活動觸點與設定指針上的觸頭(上限或下限)相接觸的瞬時,致使控制系統接通或斷開電路,以達到自動控制和發信報警的目的。
	
		      在電接點裝置的電接觸信號針上,裝有可調節的永久磁鋼,可以增加接點吸力,加快接觸動作,從而使觸點接觸可靠,消除電弧,能有效地避免儀表由于工作環境振動或介質壓力脈動造成觸點的頻繁關斷。所以該儀表具有動作可靠、使用壽命長、觸點開關功率較大等優點。
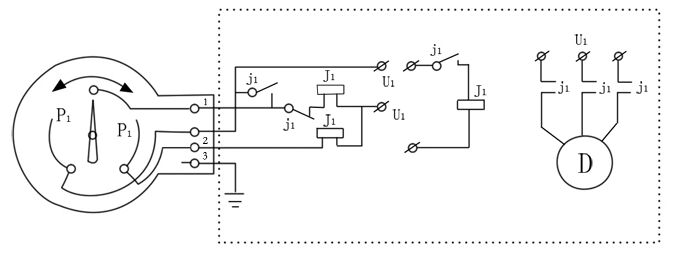
接線原理:需增加個中間繼電器,電接點壓力表上有1個高壓點,一個中點,一個低壓點,電流方向:火線進中點,經過低壓點,到中間繼電器1組觸點的常閉點,到接觸器線圈一端,繼電器線圈另一端接零線。另選一組接觸器上的常開觸點,2端并聯到壓力表低壓端與中點端。中間繼電器的控制由火線進壓力表中點,到高壓點到中間繼電器線圈一段,中間繼電器線圈另一段接零線。
		
		
			
		
接線原理:需增加個中間繼電器,電接點壓力表上有1個高壓點,一個中點,一個低壓點,電流方向:火線進中點,經過低壓點,到中間繼電器1組觸點的常閉點,到接觸器線圈一端,繼電器線圈另一端接零線。另選一組接觸器上的常開觸點,2端并聯到壓力表低壓端與中點端。中間繼電器的控制由火線進壓力表中點,到高壓點到中間繼電器線圈一段,中間繼電器線圈另一段接零線。
磁助式電接點壓力表技術參數
			規格型號:YXC-150磁助式電接點壓力表
		
			表盤直徑:Ф150mm
		
			接頭大小:M20×1.5
		
			測量范圍:0-40MPA        
		
			安裝形式:徑向
		
			觸頭功率:30VA(阻性負載)
		
			控制形式:上下限
		
			精確度等級:1.6級
		
			材質:外殼鐵,機芯銅,接頭銅
		
			顏色:機身黑色,接頭金屬色
		
			使用環境條件:-40~70℃,相對濕度不大于85%
	磁助式電接點壓力表產品應用
	磁助式電接點壓力表適用于測量對銅合金無腐蝕、無爆炸危險、非結晶的各種液體、氣體等介質的壓力。儀表經與相應的電氣器件配套使用,可達到對被測壓力系統實現預先設定的*大或*小壓力值的雙位自動控制和發信(報警)的目的。儀表具有測量控制功能,可任意設定上、下控制壓力值,動作穩定可靠,在石油、化工、電站、冶金等工業企業及機電設備上廣泛配套使用。
	接點裝置電氣參數及控制形式:
	1.觸頭功率:30VA(阻性負載)
	2.*高工作電壓:220V D.C或380V A.C
	3.*大工作電流:1A
	4.控制形式:上下限、雙上限、雙下限
	電氣電路連接示意圖:
	
				
上一篇:沒有了!
下一篇:沒有了!


