
花生油流量計
- 品*:JKM/凱銘儀表
 - 型號:JKM-LWGY
 - 測量范圍:0.04~800m3/h
 - 精度等級:0.5級、1.0級
 - 公稱通徑:DN4~DN200
 - 適用介質:水 油 醇 純凈液體
 - 工作壓力:1.6~6.3MPa
 - 工作溫度:-20~+100℃
 - 供電方式:24VDC 3.6V鋰電池
 - 訂貨號:NNRASABLK676
 
花生油流量計產品概述
LWGY型智能渦輪流量計是一種精密流量測量儀表,與相應的流量積算儀表配套可用于測量液體的流量和總量。智能液體渦輪流量計廣泛用于石油、化工、冶金、科研等領域的計量、控制系統。配備有衛生接頭的渦輪流量計可以應用于制藥與食品行業。
一體化渦輪流量計結構為防爆設計,可以顯示流量總量,瞬時流量和流量滿度百分比。電池采用長效鋰電池,單功能積算表電池使用壽命可達5年以上,多功能顯示表電池使用壽命也可達到12個月以上。
一體化表頭可以顯示的流量單位眾多,有立方米,加侖,升,標準立方米,標準升等,可以設定固定壓力、溫度參數對氣體進行補償,對壓力和溫度參數變化不大的場合,可使用該儀表進行固定補償積算。

花生油流量計產品特點
1、維護方便高精度,一般可達±1%R、±0.5%R,高精度型可達±0.2%R;
2、重復性好,短期重復性可達0.05%~0.2%,正是由于具有良好的重復性,如經常校準或在線校準可得到極高的精確度,在貿易結算中是優先選用的流量計;
3、輸出脈沖頻率信號,適用總量計量及與計算機連接,無零點漂移,抗干擾能力強;
4、可獲得很高的頻率信號(3~4kHz),信號分辨力強;
5、范圍度款,中大口徑可達1:20,小口徑為1:10;
6、結構緊湊輕巧,安裝維護方便,流通能力大;
7、適用高壓測量,儀表表體上不必開孔,易制成高壓型儀表;
8、專用型傳感器類型多,可根據用戶特殊需要設計為各類專用型傳感器,例如低溫型、雙向型、井下型、混砂專用型等
9、可制成插入型,適用于大口徑測量,壓力損失小,價格低,可不斷流取出,安裝。
花生油流量計基本參數
1、執行標準:渦輪流量傳感器(JB/T9246-1999)
2、儀表口徑(mm)及連接方式:4、6、10、15、20、25、32、40、50、65、80采用螺紋連接
3、精度等級:±1%R、±0.5%R、±0.2%R(需特制)
4、量程比:1:10;1:15;1:20
5、傳感器材質:304不銹鋼、316(L)不銹鋼等
6、使用條件:介質溫度:-20℃~+120℃,環境溫度:-20℃~+60℃
7、相對濕度:5%~90%
8、大氣壓力:86Kpa~106Kpa
9、信號輸出功能:脈沖信號、4~20mA信號
10、通訊輸出功能:RS485通訊、HART協議等
11、工作電源:外電源:+24VDC±15%,紋波≤±5%,適用于4-20mA輸出、脈沖輸出、RS485等,內電源:1組3.0V10AH鋰電池,電池電壓在2.0V~3.0V時均可正常工作。
12、信號線接口:基本型:豪斯曼接頭或自帶三芯線纜;防爆型:內螺紋M20*1.5
13、防爆等級:ExiaIICT4或ExdIIBT6
14、防護等級:IP65或更高(可訂制)
花生油流量計的原理
在管道中心安放一個渦輪,兩端由軸承支撐。當流體通過管道時,沖擊渦輪流量計葉片,對渦輪流量計產生驅動力矩,使渦輪流量計克服摩擦力矩和流體阻力矩而產生旋轉。在一定的流量范圍內,對一定的流體介質粘度,渦輪流量計的旋轉角速度與流體流速成正比。由此,流體流速可通過渦輪流量計的旋轉角速度得到,從而可以計算得到通過管道的流體流量。
渦輪流量計的轉速通過裝在機殼外的傳感線圈來檢測。當流量計葉片切割由殼體內永久磁鋼產生的磁力線時,就會引起傳感線圈中的磁通變化。傳感線圈將檢測到的磁通周期變化信號送入前置放大器,對信號進行放大、整形,產生與流速成正比的脈沖信號,送入單位換算與流量積算電路得到并顯示累積流量值;同時亦將脈沖信號送入頻率電流轉換電路,將脈沖信號轉換成模擬電流量,進而指示瞬時流量值。


花生油流量計流量范圍

花生油流量計類型

花生油流量計選型說明

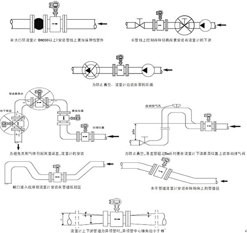
花生油流量計的安裝
渦輪流量計是一種*典型的速度式流量計,它是利用懸置于流體中帶葉片的轉子或葉輪感受流體的平均流速而推導出被測流體的瞬時流量和累計流量,從而實現流量測量的目的。通產由渦輪流量傳感器和顯示儀表組成,其安裝方式需要注意以下幾點。
1、安裝時液體流動方向應與傳感器外殼上指示流向的箭頭方向一致,且上游直管段應≥20dn,下游直管段應≥5dn,其中dn為管道內徑。
2、傳感器應遠離外界磁場,如不能避免,應采取必要的措施;
3、為了檢修時不至影響液體的正常輸送,應在傳感器兩端的直管段外安裝旁通管道;
4、傳感器露天安裝時,請做好放大器插頭的防水處理;
5、傳感器與顯示儀表的接線,應根據放大器的電源來選擇接線方式。
6、液體流量計傳感器可水平、垂直安裝,垂時流體方向必須向上。液體應充滿管道,不得有氣泡。安裝時,液體流動方向應與傳感器外殼上指示流向的箭頭方向一致。傳感器上游端至少應有20倍公稱通徑長度的直管段,下游端應不少于5倍公稱通徑的直管段,其內壁應光滑清潔,無凹痕、積垢和起皮等缺陷。
7、若流體不穩定有脈動流,為保證轉子流量計的良好測量可安裝緩沖器,以消除脈動流。轉子流量計在使用時,應先緩慢旋開流量計上游管道上的控制閥門,然后用調節閥調節流量,以免突然開啟造成浮子急速上升擊損錐管。
渦輪流量計的測量精度高,量程比款,適用于流量變化幅度較大的現場測量。并且壓力損失小,且耐高壓,儀表的各元件可用各種抗腐蝕材料制成,是一款使用較寬泛的流量儀表。
上一篇:潤滑油流量計|齒輪型容積式
下一篇:導熱油流量計|液體渦輪式


